简介:
COPPUS Ventilators翼片轴流式与离心式机种(VAC4、CAC4),可搭配电动气动式马达使用;危险环境专用机种(CEP4、VEP4)为地下设施作业及轻工业有限空间作业较佳通风设备。本型通风机可多用途使用,坚固耐用,设计轻巧,送风效能较好,外壳为非腐蚀性聚合材质,不易损坏。适用地下管道作业及有限空间作业,并提供多种机型选择。
特色:
翼片轴流式:
•专利入风口转换接头,可将此装置换成高性能的烟雾排除机。
•聚丙烯外壳,耐火等级为UL 94-5VA。
•叶片为玻璃纤维聚酯树脂材料,防火花设计。
•可选用电动驱动或压缩空气驱动。
•可选配8"伸缩风管使用。
•可选用风管存放管。
•噪声值78 dBA。
离心式:
•送风量及压力效能较好。
•聚丙烯外壳,耐火等级为UL94 - 5VA。
•叶片为玻璃纤维聚酯树脂材料,防火花设计。
•可选配8”伸缩风管使用。
•叶轴可调整为45, 90及180°送风位置。
•噪声值88 dBA。
危险环境专用:
•外壳与组件皆为传导性聚合材料制成,可安全排除静电。
•电动马达符合NEC Class 1,Division 1,Group D及Class II ,Division1,Groups E,F,G.规格。
•叶片为玻璃纤维聚酯树脂材料,防火花设计。
•可提供翼片轴流式和离心式机型。
•可提供电动驱动或压缩空气驱动。
规格参数表:
|
机型 |
传动装置 |
马达 |
HP |
重量 |
自由风 |
90°弯曲性能 |
|||||||
|
|
|
|
|
lbs |
kg |
cftn |
m3/hr |
1-90° |
2-90° |
3-90° |
|||
|
|
|
|
|
|
|
|
|
cfm
|
m3/hr
|
cfm
|
m3/hr
|
cfm
|
m3/hr
|
|
VAC4 |
Electric-220V50HZ |
TE |
1/2 |
35 |
16 |
804 |
1,358 |
730 |
1,240 |
720 |
U23 |
710 |
1,206 |
|
VEP4 |
Electric-220V50HZ |
EP |
1/2 |
35 |
16 |
804 |
1,358 |
730 |
1,240 |
720 |
1,223 |
710 |
1,206 |
|
CAC4 |
Eledric-220V50HZ |
TE |
1/2 |
35 |
16 |
845 |
1,428 |
717 |
1,218 |
704 |
1,196 |
692 |
1,176 |
|
CEP4 |
Electric-220V50HZ |
EP |
1/2 |
35 |
16 |
845 |
1,428 |
717 |
1,218 |
704 |
1,196 |
692 |
1,176 |
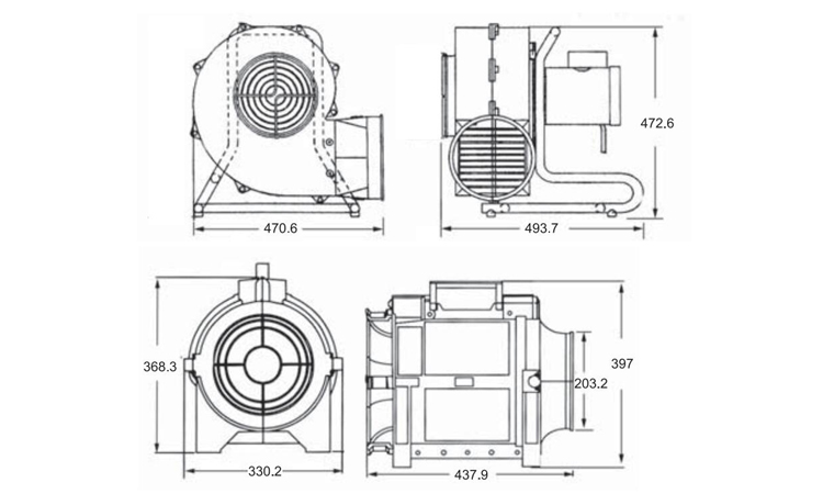
结构图:

使用现场:
适用行业:
Coppus便携式散热降温鼓风机为各行业提供一个可靠安全的空气供应及交换系统,特别针对密闭空间操作中的工序及机械冷却及人员降温,以改善总体生产效率及操作安全。
喷涂和喷漆:干燥及固化,排烟、供应新鲜空气,保证舒适安全的工作环境;
钢厂高温操作车间:工序冷却、人员降温;
电力以及燃气应用:地下通风、设备冷却,排烟;
造纸厂:密闭空间通风,人员降温;
造船厂:定位焊接作业过程排烟,供应新鲜空气;
船舶:船舱换气;
炼油厂:设备冷却,密闭空间通风,人员降温;
化工厂:排烟、通风、人员降温;
食品加工处理:排烟、工序冷却;
发电:密闭空间通风、人员降温;
COPPUS通风机型号大全:
1、Double Duty Heat Killer
COPPUS-DDHK-18K03D、COPPUS-DDHK-24K07D、COPPUS-DDHK-24K10D、COPPUS-DDHK-30K30D
2、Jectair Hornet
COPPUS-Jectair-3S-HP、COPPUS-Jectair-3-HP、COPPUS-Jectair-6-HP、COPPUS-Jectair-8、COPPUS-Jectair-9
3、Reaction Fans
COPPUS-RF-12、COPPUS-RF-16、COPPUS-RF-20、COPPUS-RF-24
4、CADETS
COPPUS-VAC4(普通)、COPPUS-VEP4(防爆)、COPPUS-CAC4(普通)、COPPUS-CEP4(防爆)
5、VANO
COPPUS-175CV、COPPUS-250CV
6、COPPUS-Air Max-12
7、TA16
COPPUS-TA16-5000、COPPUS-TA16-5500
8、Portavent
COPPUS-PV-500、COPPUS-PV-750、COPPUS-PV-1000
9、Ventair
COPPUS-TM-4、COPPUS-TM-5、COPPUS-TM-6、COPPUS-TM-8、COPPUS-TM-9
联系人:沈先生
手 机:133-7212-5666
邮 箱:China@swn.cn
公 司:昆山市玉山镇国昆消防工程技术服务部
地 址:江苏省昆山市春晖路666号